SKF MonoFlex Vorschmierverteiler AB
Serie AB - einstellig, zur Montage auf Verteilerleisten
- Schmierstoffe:
Öle, Viskosität 20 - 1000 mm²/s
Fließfette, NLGI-Kl. 000 / 00 - Dosierungen: 0,01 - 0,60 cm³
- Betriebsdruck: mind. 18 bar, max. 50 bar
- Entlastungsdruck: max. 3 bar
- Betriebstemperatur: 0 - 80°C
- Anzugsmomente Montage: 10 Nm
- Gewinde: M10x1 AG
- Schmierstellenanschluss: Ø 4mm
| Dosierung (cm³) | |||||||||
| 0,01 | 0,02 | 0,03 | 0,05 | 0,10 | 0,20 | 0,40 | 0,60 | ||
| Stahl verzinkt CU-Ring | 24-2800-5001 | • | |||||||
| 24-2800-5002 | • | ||||||||
| 24-2800-5003 | • | ||||||||
| 24-2800-5005 | • | ||||||||
| 24-2800-5010 | • | ||||||||
| 24-2800-5020 | • | ||||||||
| 24-2800-5040 | • | ||||||||
| 24-2800-5060 | • | ||||||||
| Edelstahl Edelstahl-Ring | 24-2800-9001 | • | |||||||
| 24-2800-9002 | • | ||||||||
| 24-2800-9003 | • | ||||||||
| 24-2800-9005 | • | ||||||||
| 24-2800-9010 | • | ||||||||
| 24-2800-9020 | • | ||||||||
| 24-2800-9040 | • | ||||||||
| 24-2800-9060 | • | ||||||||
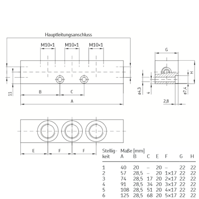
Verteilerleisten VL
Standardausführung
• Material: Alumium oder Edelstahl 1.4305
• Normalprofilleiste
• Abgangsanschluss: M10x1 IG mit Senkung für Flachdichtring
• Eingangsanschluss: 2x M10x1 IG mit Senkung für lötlose Rohrverschraubung
Anzahl Abgänge | |||||||
| 1 | 2 | 3 | 4 | 5 | 6 | ||
| Aluminium | VL-01GAM3 | • | |||||
| VL-02GAM3 | • | ||||||
| VL-03GAM3 | • | ||||||
| VL-04GAM3 | • | ||||||
| VL-05GAM3 | • | ||||||
| VL-06GAM3 | • | ||||||
Edelstahl 1.4305 | VL-01GEM3 | • | |||||
| VL-02GEM3 | • | ||||||
| VL-03GEM3 | • | ||||||
| VL-04GEM3 | • | ||||||
| VL-05GEM3 | • | ||||||
| VL-06GEM3 | • | ||||||