SKF MonoFlex Vorschmierverteiler VR

Serie VR

  • Schmierstoffe:
    Fließfette und Fette bis NLGI-Kl. 2
  • Dosierungen: 0,1 - 1,3 cm³
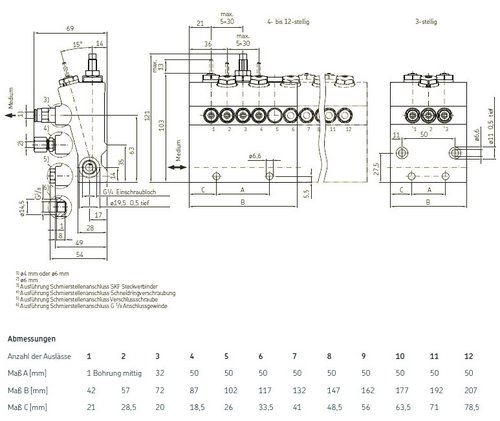
  • Dosierstellen wählbar. 1 - 12
  • Verteilerkörper: Aluminium
  • Dosierkopf: Aluminium / Edelstahl
  • Anzeigestift: Edelstahl 1.4401
  • Elastomere: FPM
  • Betriebsdruck: mind. 100 bar, max. 315 bar
  • Entlastungsdruck wählbar: max. 30 bar / max. 70 bar
  • Betriebstemperatur: -25 bis +80°C

SKF Monoflex Vorschmierverteiler Serie VR

Konfigurator

Maßblatt Verteilerserie VR